Loading...

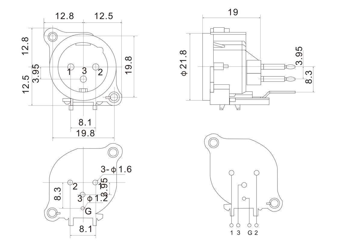
XLR3-0101MH

Product Description

Online Inquiry

Related Products

See More