Loading...

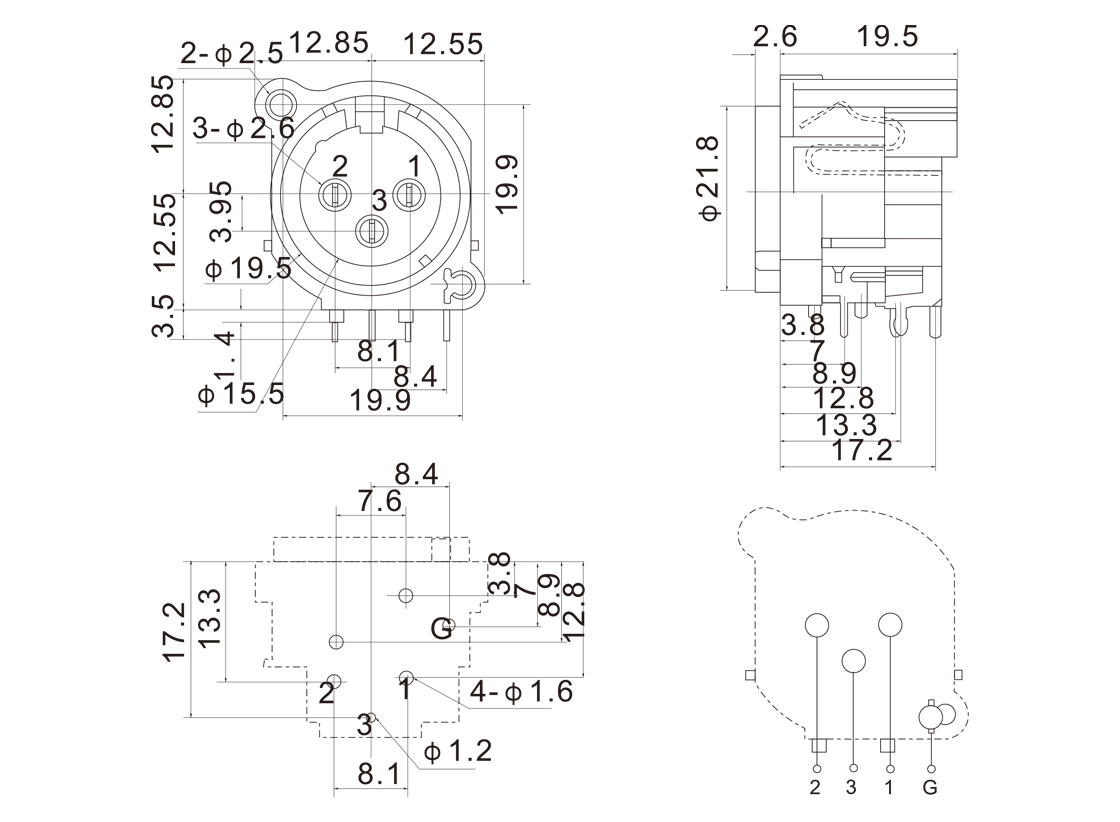
XLR3-003BE

Product Description

Online Inquiry

Related Products

See More