Loading...

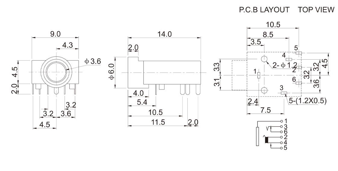
PJ-3021A2

Product Description

Online Inquiry

Related Products

See More