Loading...

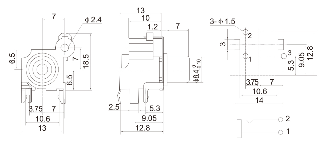
AV-8.4-14/ES

Product Description

Online Inquiry

Related Products

See More