Loading...

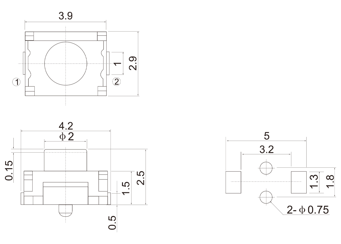
TC-1315B

产品描述

在线留言

相关产品

查看更多