Loading...

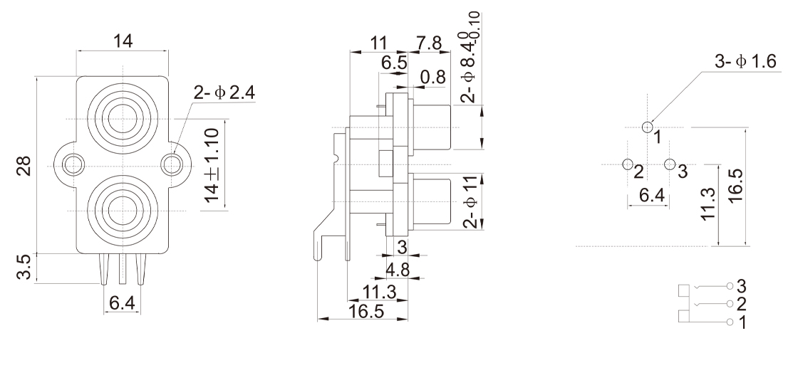
AV2-8.4-7

产品描述

在线留言

相关产品

查看更多